Product list產品列表
Customer service在線客服
產品展示



|
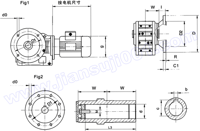
型號 |
W |
f4 |
A1 |
M |
d |
c |
b |
L2 |
|
WKAB47 |
75 |
2.5 |
15 |
M12 |
35H7 |
38.3 |
10 |
130 |
|
WKAB57 |
83 |
3 |
18 |
M16 |
40H7 |
43.3 |
12 |
142 |
|
WKAB67 |
90 |
3.5 |
20 |
M16 |
40H7 |
43.3 |
12 |
156 |
|
WKAB77 |
105 |
4 |
22.5 |
M20 |
50H7 |
53.8 |
14 |
183 |
|
WKAB87 |
120 |
4 |
30 |
M20 |
60H7 |
64.4 |
18 |
210 |
|
WKAB97 |
150 |
4 |
30 |
M24 |
70H7 |
74.9 |
20 |
270 |
|
WKAB107 |
175 |
2.5 |
40 |
|
90H7 |
95.4 |
25 |
310 |
|
WKAB127 |
同WKA | |||||||
|
WKAB157 |
同WKA | |||||||
注:其它尺寸請參見WK機型

|
型號 |
安裝尺寸 |
軸伸尺寸 |
外行尺寸 | |||||||||||
|
L3 |
D1 |
R |
D2 |
d0 |
Fig |
M |
l |
c |
b |
d |
D |
C1 |
W | |
|
WKAF37 |
105 |
130 |
3.5 |
110h7 |
4-ф9 |
1 |
M10 |
24 |
33.3 |
8 |
30H7 |
160 |
10 |
60 |
|
WKAF47 |
130 |
165 |
3.5 |
130h7 |
4-ф9 |
1 |
M12 |
25 |
38.3 |
10 |
35H7 |
200 |
12 |
75 |
|
WKAF57 |
142 |
215 |
4 |
180h7 |
4-ф13.5 |
1 |
M16 |
24 |
43.3 |
12 |
40H7 |
250 |
15 |
83 |
|
WKAF67 |
156 |
215 |
4 |
180h7 |
4-ф13.5 |
1 |
M16 |
23 |
43.3 |
12 |
40H7 |
250 |
15 |
90 |
|
WKAF77 |
183 |
265 |
4 |
230h7 |
4-ф13.5 |
1 |
M16 |
37 |
53.8 |
14 |
50H7 |
300 |
16 |
105 |
|
WKAF87 |
210 |
300 |
5 |
250h7 |
4-ф18 |
1 |
M20 |
30 |
64.4 |
18 |
60H7 |
350 |
18 |
120 |
|
WKAF97 |
270 |
400 |
5 |
350h7 |
8-ф18 |
2 |
M20 |
42 |
74.9 |
20 |
70H7 |
450 |
22 |
150 |
|
WKAF107 |
310 |
400 |
5 |
350h7 |
8-ф18 |
2 |
M24 |
41 |
95.4 |
25 |
90H7 |
450 |
22 |
175 |
|
WKAF127 |
370 |
500 |
5 |
450h7 |
8-ф18 |
2 |
M24 |
51 |
106.4 |
28 |
100H7 |
550 |
25 |
205 |
|
WKAF157 |
457 |
600 |
6 |
550h7 |
8-ф22 |
2 |
M24 |
60 |
127.4 |
32 |
120H7 |
660 |
28 |
250 |
注:WKAF37-WKAF107其它尺寸請參見WKA型
WKAF127+WKAF157其它尺寸請參見WKA型

|
型號 |
安裝尺寸 |
軸伸尺寸 |
外形尺寸 | ||||||||||||||
|
H0 |
S |
R |
D1 |
d0 |
Fig |
D2 |
b |
d |
l |
c |
L1 |
W |
D |
h1 |
C1 |
H | |
|
WKF37 |
100 |
M10 |
3.5 |
130 |
4-ф9 |
1 |
110h7 |
8 |
25k6 |
50 |
28 |
142 |
134 |
160 |
8.5 |
10 |
165 |
|
WKF47 |
112 |
M10 |
3.5 |
165 |
4-ф9 |
1 |
130h7 |
8 |
30k6 |
60 |
33 |
166 |
160 |
200 |
7.2 |
12 |
186 |
|
WKF57 |
132 |
M12 |
4 |
215 |
4-ф13.5 |
1 |
180h7 |
10 |
40k6 |
70 |
38 |
175 |
177 |
250 |
13.1 |
15 |
215 |
|
WKF67 |
140 |
M16 |
4 |
215 |
4-ф13.5 |
1 |
180h7 |
12 |
40k6 |
80 |
43 |
179 |
193 |
250 |
20 |
15 |
228 |
|
WKF77 |
150 |
M16 |
4 |
265 |
4-ф13.5 |
1 |
230h7 |
14 |
50k6 |
100 |
53.5 |
202 |
242 |
300 |
31.3 |
16 |
288 |
|
WKF87 |
212 |
M20 |
5 |
300 |
4-ф18 |
1 |
250h7 |
18 |
60m6 |
120 |
64 |
257 |
270 |
350 |
24 |
18 |
340 |
|
WKF97 |
265 |
M20 |
5 |
400 |
4-ф18 |
2 |
350h7 |
20 |
70m6 |
140 |
74.5 |
277 |
332 |
450 |
32.3 |
22 |
414 |
|
WKF107 |
315 |
M24 |
5 |
400 |
4-ф18 |
2 |
350h7 |
25 |
90m6 |
170 |
95 |
354 |
386 |
450 |
52 |
22 |
505 |
注:其它尺寸請參見WKA型

|
型號 |
安裝尺寸 |
軸伸尺寸 |
外形尺寸 | |||||||||||||
|
H0 |
S |
R |
D1 |
d0 |
D2 |
b |
d |
l |
c |
L1 |
W |
D |
h1 |
C1 |
H | |
|
WKF127 |
375 |
M24 |
5 |
500 |
8-ф18 |
450h7 |
28 |
110m6 |
210 |
116 |
390 |
466 |
550 |
53 |
25 |
592 |
|
WKF157 |
450 |
M24 |
6 |
600 |
8-ф22 |
550h7 |
32 |
120m6 |
210 |
127 |
426 |
520 |
660 |
68.7 |
28 |
705 |
注:其它尺寸請參見WKA型

|
型號 |
L2 |
β |
C8 |
R |
P |
l |
H0 |
d1 |
L10-0.3 |
a4 |
d2 |
|
WKA37 |
31 |
60° |
10 |
22.5 |
140 |
20 |
100 |
10.4±0.05 |
36 |
23.5 |
30 |
|
WKA47 |
31 |
55° |
12 |
22.5 |
160 |
20 |
112 |
10.45±0.05 |
36 |
30 |
30 |
|
WKA57 |
54 |
55° |
13 |
29 |
192 |
18 |
132 |
16.4±0.08 |
60 |
40 |
40 |
|
WKA67 |
54 |
55° |
13 |
29 |
200 |
25 |
140 |
16.4±0.08 |
60 |
45 |
40 |
|
WKA77 |
54 |
60° |
14 |
29 |
250 |
25 |
180 |
16.4±0.08 |
60 |
52.5 |
40 |
|
WKA87 |
72 |
60° |
16 |
41 |
300 |
30 |
212 |
25±0.08 |
80 |
60 |
60 |
|
WKA97 |
92 |
50° |
17 |
41 |
350 |
40 |
265 |
25±0.08 |
100 |
70 |
60 |
|
WKA107 |
92 |
55° |
20 |
41 |
450 |
45 |
315 |
25±0.08 |
100 |
74 |
60 |
|
WKA127 |
110 |
65° |
45 |
70 |
550 |
7 |
375 |
40±0.08 |
126 |
60 |
85 |
|
WKA157 |
110 |
70° |
45 |
70 |
700 |
2 |
450 |
40±0.08 |
126 |
50 |
85 |
注:其它尺寸請參見WKA型。

|
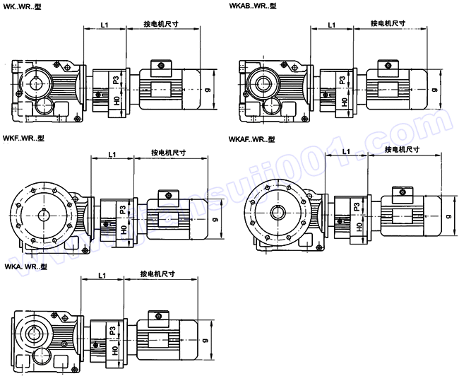
型號 |
L1 |
P3 |
H0 |
|
WK37WR17 |
145.5 |
59 |
76 |
|
WK47WR37 |
150.5 |
61 |
94 |
|
WK57WR37 |
150.5 |
61 |
94 |
|
WK67WR37 |
150.5 |
61 |
94 |
|
WK77WR37 |
151 |
61 |
94 |
|
WK87WR57 |
189 |
72 |
121 |
|
WK97WR57 |
190 |
72 |
121 |
|
WK107WR77 |
227 |
72 |
121 |
|
型號 |
L1 |
P3 |
H0 |
|
WK127WR77 |
227 |
88 |
144 |
|
WK127WR87 |
274 |
115 |
184 |
|
WK157WR97 |
323 |
114 |
230 |
|
WK167WR97 |
323 |
114 |
230 |
|
WK187WR97 |
323 |
115 |
230 |
|
WK157WR107 |
361 |
158 |
255 |
|
WK167WR107 |
361 |
158 |
255 |
|
WK187WR107 |
361 |
158 |
255 |
注:其它尺寸請參見WK系列

|
型號 |
D |
D1 |
d |
g4 |
f4 |
l4 |
l5 |
l6 |
l7 |
W |
W1 |
W7 |
A1 |
|
WKH47 |
35 |
35 |
50 |
83 |
3 |
32 |
20 |
37 |
25 |
75 |
102 |
109 |
15 |
|
WKH57 |
40 |
40 |
55 |
93 |
3.5 |
36 |
20 |
37 |
25 |
83 |
112 |
119 |
18 |
|
WKH67 |
40 |
40 |
55 |
93 |
3.5 |
36 |
20 |
41 |
25 |
90 |
118 |
126 |
21 |
|
WKH77 |
50 |
50 |
70 |
114 |
4 |
38 |
30 |
43 |
35 |
105 |
136 |
146 |
23.5 |
|
WKH87 |
65 |
65 |
85 |
159 |
4 |
41 |
40 |
46 |
45 |
120 |
161 |
170 |
30 |
|
WKH97 |
75 |
75 |
95 |
174 |
4 |
55 |
50 |
60 |
55 |
150 |
195 |
206 |
31 |
|
WKH107 |
95 |
95 |
120 |
200 |
2.5 |
65 |
60 |
75 |
70 |
175 |
230 |
245 |
42 |
|
WKH127 |
105 |
105 |
135 |
233 |
2.5 |
85 |
70 |
95 |
80 |
205 |
280 |
296 |
45 |
|
WKH157 |
125 |
125 |
155 |
315 |
6 |
90 |
80 |
100 |
90 |
250 |
330 |
370 |
37 |

|
型號 |
D |
D1 |
d |
g4 |
f4 |
l4 |
l5 |
l6 |
l7 |
W |
W1 |
W7 |
|
WKAH37 |
30 |
30 |
45 |
75 |
1.5 |
31 |
20 |
36 |
25 |
60 |
86 |
95 |
|
WKAH47 |
35 |
35 |
50 |
83 |
3 |
32 |
20 |
37 |
25 |
75 |
102 |
109 |
|
WKAH57 |
40 |
40 |
55 |
93 |
3.5 |
36 |
20 |
37 |
25 |
83 |
112 |
119 |
|
WKAH67 |
40 |
40 |
55 |
93 |
3.5 |
36 |
20 |
41 |
25 |
90 |
118 |
126 |
|
WKAH77 |
50 |
50 |
70 |
114 |
4 |
38 |
30 |
43 |
35 |
105 |
136 |
146 |
|
WKAH87 |
65 |
65 |
85 |
159 |
4 |
41 |
40 |
46 |
45 |
120 |
161 |
170 |
|
WKAH97 |
75 |
75 |
95 |
174 |
4 |
55 |
50 |
60 |
55 |
150 |
195 |
206 |
|
WKAH107 |
95 |
95 |
120 |
200 |
2.5 |
65 |
60 |
75 |
70 |
175 |
230 |
245 |
|
WKAH127 |
105 |
105 |
135 |
233 |
2.5 |
85 |
70 |
95 |
80 |
205 |
280 |
296 |
|
WKAH157 |
125 |
125 |
155 |
315 |
6 |
90 |
80 |
100 |
90 |
250 |
330 |
370 |

|
型號 |
d1 |
L1 |
l1 |
S1 |
c1 |
b1 |
g1 |
|
WKS37 |
16k6 |
115 |
40 |
M5 |
18 |
5 |
120 |
|
WKS47 |
19k6 |
120 |
40 |
M6 |
21.5 |
6 |
160 |
|
WKS57 |
19k6 |
120 |
40 |
M6 |
21.5 |
6 |
160 |
|
WKS67 |
19k6 |
120 |
40 |
M6 |
21.5 |
6 |
160 |
|
WKS77 |
24k6 |
140 |
50 |
M8 |
27 |
8 |
200 |
|
WKS87 |
28k6 |
180 |
60 |
M10 |
31 |
8 |
250 |
|
WKS97 |
38k6 |
220 |
80 |
M12 |
41 |
10 |
300 |
|
WKS107 |
42k6 |
270 |
110 |
M16 |
45 |
12 |
350 |
|
WKS127 |
55m6 |
297 |
110 |
M20 |
59 |
16 |
400 |
|
WKS157 |
70m6 |
374 |
140 |
M20 |
74.5 |
20 |
520 |
注:其它尺寸請參見WK型
| 頁次:4/4 每頁10條 共40條信息 分頁:[1][2][3][4] |
