Product list產品列表
Customer service在線客服
產品展示
一、概述
NEMA標準電動機為全封閉自扇冷式電機,該電動機按照美要NEMA標準設計與制造,其功率等級、安裝尺寸及電氣、機械性能均符合NEMA標準要求,款式新穎、制作精良、安全可靠,并具有溫升低、噪聲和振動小、起動轉矩大等特點。
該電動機采用B設計,F級絕緣,使用系數為1.15,額定電壓為208~230/460V,額定頻率為60Hz,適用于無特殊要求的場合,最高環(huán)境溫度不超過40℃,海拔不超過1000m,可作為各種機械設備的動力配套。
型號含義

二、結構簡介
NEMA標準電動機機座和端蓋采用高強度鑄鐵制成,耐腐蝕、壽命長,機座外表面有散熱片,易于散熱。
電動機的外風扇:機座號143T~286T用塑料風扇,324T以上機座用塑料或鋁風扇。
機座號143T~215T采用全封閉軸承,254T~449采用開啟式軸承,備有加油孔,加入3號鋰基脂。
接線盒位于機座中央,從軸伸端視之,在電動機的左側,接線盒由鑄鐵制成,出線孔為英制螺紋,接線盒內備有接地螺釘及接線圖。
接線方式:7.5hp以下(不包括7.5hp)出線為9根,7.5~200hp出線為12根,150hp以上的2極電動機出線為6根,出線端標志見圖1。

機座號、功率及轉速對應關系見表1。
|
機座號 |
同步轉速/(r/min) | |||||||
|
3600(2極) |
1800(4極) |
1200(6極) |
900(8極) | |||||
|
功率 | ||||||||
|
hp |
kW |
hp |
kW |
hp |
kW |
hp |
kW | |
|
143T |
0.5 |
0.37 |
|
|
|
|
|
|
|
143T |
0.75 |
0.55 |
0.5 |
0.37 |
|
|
|
|
|
143T |
1 |
0.75 |
0.75 |
0.55 |
0.5 |
0.37 |
|
|
|
143T |
1.5 |
1.1 |
1 |
0.75 |
0.75 |
0.55 |
0.5 |
0.37 |
|
145T |
2 |
1.5 |
1.5 |
1.1 |
1 |
0.75 |
0.75 |
0.55 |
|
145T |
|
|
2 |
1.5 |
|
|
|
|
|
182T |
3 |
2.2 |
3 |
2.2 |
1.5 |
1.1 |
1 |
0.75 |
|
184T |
5 |
3.7 |
5 |
3.7 |
2 |
1.5 |
1.5 |
1.1 |
|
213T |
7.5 |
5.5 |
7.5 |
5.5 |
3 |
2.2 |
2 |
1.5 |
|
215T |
10 |
7.5 |
10 |
7.5 |
5 |
3.7 |
3 |
2.2 |
|
254T |
15 |
11 |
15 |
11 |
7.5 |
5.5 |
5 |
3.7 |
|
256T |
20 |
15 |
20 |
15 |
10 |
7.5 |
7.5 |
5.5 |
|
284TS |
25 |
18.5 |
25 |
18.5 |
15 |
11 |
10 |
7.5 |
|
286TS |
30 |
22 |
30 |
22 |
20 |
15 |
15 |
11 |
|
324TS |
40 |
30 |
40 |
30 |
25 |
18.5 |
20 |
15 |
|
326TS |
50 |
37 |
50 |
37 |
30 |
22 |
25 |
18.5 |
|
364TS |
60 |
45 |
60 |
45 |
40 |
30 |
30 |
22 |
|
365TS |
75 |
55 |
75 |
55 |
50 |
37 |
40 |
30 |
|
365T |
— |
— |
75 |
55 |
50 |
37 |
40 |
30 |
|
404T |
— |
— |
— |
— |
60 |
45 |
50 |
37 |
|
405TS |
100 |
75 |
— |
— |
— |
— |
— |
— |
|
405T |
— |
— |
100 |
75 |
75 |
55 |
60 |
45 |
|
444TS |
125 |
90 |
— |
— |
— |
— |
— |
— |
|
444T |
— |
— |
125 |
90 |
100 |
75 |
75 |
55 |
|
445TS |
150、175 |
110、132 |
— |
— |
— |
— |
— |
— |
|
445T |
— |
— |
150、175 |
110、132 |
125 |
90 |
100 |
90 |
|
447TS |
200 |
150 |
— |
— |
— |
— |
— |
— |
|
447T |
— |
— |
200 |
150 |
150、175 |
110、132 |
125、150 |
90、110 |
|
449TS |
250 |
185 |
— |
— |
— |
— |
— |
— |
|
449T |
— |
— |
250 |
185 |
200 |
150 |
— |
— |
主要技術性能見表2、表3、表4。
|
機座號 |
額定功率 |
滿載時 |
堵轉電流
460V/A |
堵轉轉矩 |
最大轉矩 |
噪聲
/dB/(A) |
重量
/kg | ||||||
|
hp |
kW |
轉 速
/(r/min) |
電流
460V/A |
聯(lián)結方式 |
功率
(%) |
功率
因數 |
額定轉矩
(%) |
額定轉矩(%) | |||||
|
同步轉速3600r/min(2極)600Hz | |||||||||||||
|
143 |
0.5 |
0.37 |
3442 |
0.78 |
2Y/Y |
75.5 |
0.795 |
10 |
180 |
|
87 |
16 | |
|
143 |
0.75 |
0.55 |
3442 |
1.18 |
2Y/Y |
68.0 |
0.859 |
13 |
180 |
|
87 |
17 | |
|
143 |
1.0 |
0.75 |
3442 |
1.52 |
2Y/Y |
72.0 |
0.861 |
15 |
180 |
|
87 |
18 | |
|
143 |
1.5 |
1.1 |
3442 |
2.04 |
2Y/Y |
74.9 |
0.901 |
20 |
175 |
250 |
87 |
20 | |
|
145 |
2.0 |
1.5 |
3442 |
2.65 |
2Y/Y |
77.8 |
0.913 |
25 |
170 |
240 |
87 |
22 | |
|
182 |
3.0 |
2.2 |
3503 |
3.9 |
2Y/Y |
80.3 |
0.881 |
32 |
160 |
230 |
91 |
34 | |
|
184 |
5.0 |
3.7 |
3493 |
6.32 |
2Y/Y |
82.5 |
0.891 |
46 |
150 |
215 |
91 |
35 | |
|
213 |
7.5 |
5.5 |
3505 |
9.4 |
2△/△ |
81.5 |
0.920 |
64 |
140 |
200 |
94 |
66 | |
|
215 |
10 |
7.5 |
3504 |
12 |
2△/△ |
85.8 |
0.908 |
81 |
135 |
200 |
94 |
70 | |
|
254 |
15 |
11 |
3522 |
18.25 |
2△/△ |
85.3 |
0.887 |
116 |
130 |
200 |
96 |
120 | |
|
256 |
20 |
15 |
3517 |
23.9 |
2△/△ |
87.3 |
0.902 |
145 |
130 |
200 |
96 |
125 | |
|
284 |
25 |
18.5 |
3534 |
28.8 |
2△/△ |
88.8 |
0.908 |
183 |
130 |
200 |
98 |
168 | |
|
286 |
30 |
22 |
3525 |
35 |
2△/△ |
86.8 |
0.909 |
218 |
130 |
200 |
98 |
170 | |
|
同步轉速3600r/min(2極)60Hz | |||||||||||||
|
324 |
40 |
30 |
3539 |
45.6 |
2△/△ |
90.6 |
0.912 |
290 |
125 |
200 |
100 |
235 | |
|
326 |
50 |
37 |
3549 |
57.5 |
2△/△ |
88.6 |
0.912 |
363 |
120 |
200 |
100 |
252 | |
|
364 |
60 |
45 |
3557 |
68.4 |
2△/△ |
89.1 |
0.927 |
435 |
120 |
200 |
101 |
320 | |
|
365 |
75 |
55 |
3567 |
81.64 |
2△/△ |
91.9 |
0.92 |
543 |
105 |
200 |
101 |
340 | |
|
405 |
100 |
75 |
3565 |
112.3 |
2△/△ |
92.4 |
0.91 |
725 |
170 |
200 |
102 |
— | |
|
444 |
125 |
90 |
3570 |
142.6 |
2△/△ |
91 |
0.91 |
908 |
150 |
200 |
104 |
— | |
|
445 |
150 |
110 |
3570 |
168.3 |
2△ |
91.7 |
0.92 |
1085 |
150 |
200 |
104 |
— | |
|
445 |
175 |
132 |
3570 |
193.9 |
2△ |
92.4 |
0.92 |
1270 |
150 |
200 |
104 |
— | |
|
447 |
200 |
150 |
3570 |
219.4 |
2△ |
93 |
0.92 |
1450 |
160 |
200 |
107 |
— | |
|
449 |
250 |
185 |
3575 |
264.3 |
2△ |
94.5 |
0.93 |
1850 |
150 |
175 |
110 |
— | |
|
同步轉速1800r/min(4極)60Hz | |||||||||||||
|
143 |
0.5 |
0.37 |
1724 |
0.94 |
2Y/Y |
75.5 |
0.652 |
10 |
|
|
70 |
16 | |
|
143 |
0.75 |
0.55 |
1724 |
1.55 |
2Y/Y |
72 |
0.619 |
13 |
|
|
70 |
17 | |
|
143 |
1.0 |
0.75 |
1724 |
1.87 |
2Y/Y |
75.3 |
0.666 |
15 |
275 |
300 |
70 |
23 | |
|
145 |
1.5 |
1.1 |
1716 |
1.57 |
2Y/Y |
76.7 |
0.71 |
20 |
250 |
280 |
70 |
22 | |
|
145 |
2 |
1.5 |
1710 |
3.05 |
2Y/Y |
79.8 |
0.773 |
30 |
235 |
270 |
70 |
24 | |
|
182 |
3 |
2.2 |
1746 |
4.79 |
2Y/Y |
78.3 |
0.736 |
32 |
215 |
250 |
74 |
48 | |
|
184 |
5 |
3.7 |
1736 |
6.54 |
2Y/Y |
85.3 |
0.833 |
46 |
185 |
225 |
74 |
49 | |
|
213 |
7.5 |
5.5 |
1748 |
9.85 |
2△/△ |
85.8 |
0817 |
64 |
175 |
215 |
79 |
67 | |
|
215 |
10 |
7.5 |
1743 |
12.9 |
2△/△ |
87.8 |
0.833 |
81 |
165 |
200 |
79 |
79 | |
|
254 |
15 |
11 |
1759 |
18.45 |
2△/△ |
87.8 |
0.852 |
116 |
160 |
200 |
84 |
120 | |
|
256 |
20 |
15 |
1756 |
24.5 |
2△/△ |
87.8 |
0.875 |
145 |
150 |
200 |
84 |
141 | |
|
284 |
25 |
18.5 |
1763 |
29.7 |
2△/△ |
90.1 |
0.867 |
183 |
150 |
200 |
88 |
191 | |
|
286 |
30 |
22 |
1730 |
36 |
2△/△ |
89.6 |
0.856 |
216 |
150 |
200 |
88 |
191 | |
|
324 |
40 |
30 |
1769 |
48 |
2△/△ |
90.1 |
0.87 |
280 |
140 |
200 |
92 |
252 | |
|
326 |
50 |
37 |
1771 |
58.3 |
2△/△ |
91.4 |
0.871 |
363 |
140 |
200 |
92 |
260 | |
|
364 |
60 |
45 |
1776 |
71.5 |
2△/△ |
91.4 |
0.864 |
435 |
140 |
200 |
95 |
300 | |
|
365 |
75 |
55 |
1777 |
90 |
2△/△ |
91.4 |
0.839 |
543 |
140 |
200 |
95 |
338 | |
|
405 |
100 |
75 |
1775 |
112.8 |
2△/△ |
93 |
0.899 |
725 |
200 |
200 |
98 |
— | |
|
444 |
125 |
90 |
1780 |
143.9 |
2△/△ |
93.6 |
0.88 |
908 |
200 |
200 |
102 |
— | |
|
445 |
150 |
110 |
1780 |
169.8 |
2△ |
93.6 |
0.89 |
1085 |
170 |
200 |
102 |
— | |
|
445 |
175 |
132 |
1787 |
201 |
2△ |
93.6 |
0.88 |
1270 |
200 |
200 |
102 |
— | |
|
447 |
200 |
150 |
1787 |
223.1 |
2△ |
94.5 |
0.90 |
1450 |
200 |
200 |
105 |
— | |
|
449 |
250 |
185 |
1790 |
271 |
2△ |
95 |
0.914 |
1850 |
170 |
175 |
109 |
— | |
|
同步轉速1200r/min(6極)60Hz | |||||||||||||
|
143 |
0.5 |
0.37 |
1150 |
1.07 |
2Y/Y |
68 |
0.639 |
10 |
— |
— |
64 |
21 | |
|
143 |
0.75 |
0.55 |
1150 |
1.6 |
2Y/Y |
70 |
0.615 |
13 |
175 |
275 |
64 |
22 | |
|
145 |
1.0 |
0.75 |
1150 |
1.66 |
2Y/Y |
74.8 |
0.655 |
15 |
170 |
265 |
64 |
25 | |
|
182 |
1.5 |
1.1 |
1158 |
2.78 |
2Y/Y |
76.3 |
0.649 |
20 |
165 |
250 |
67 |
42 | |
|
184 |
2.0 |
1.5 |
1155 |
3.77 |
2Y/Y |
77.8 |
0.695 |
25 |
160 |
240 |
67 |
43 | |
|
213 |
3.0 |
2.2 |
1169 |
4.77 |
2Y/Y |
80.1 |
0.722 |
32 |
155 |
230 |
71 |
64 | |
|
215 |
5.0 |
3.7 |
1167 |
7.8 |
2Y/Y |
82.3 |
0.723 |
46 |
150 |
215 |
71 |
75 | |
|
254 |
7.5 |
5.5 |
1169 |
10.4 |
2△/△ |
84.0 |
0.789 |
64 |
150 |
205 |
75 |
100 | |
|
256 |
10 |
7.5 |
1167 |
13.38 |
2△/△ |
85.8 |
0.82 |
81 |
150 |
200 |
75 |
117 | |
|
284 |
15 |
11 |
1172 |
19.1 |
2△/△ |
86.8 |
0.833 |
116 |
140 |
200 |
80 |
176 | |
|
286 |
20 |
15 |
1169 |
25.4 |
2△/△ |
87.8 |
0.843 |
245 |
135 |
200 |
80 |
180 | |
|
324 |
25 |
18.5 |
1174 |
30.1 |
2△/△ |
90.1 |
0.855 |
183 |
135 |
200 |
83 |
228 | |
|
326 |
30 |
22 |
1173 |
35.34 |
2△/△ |
90.1 |
0.867 |
219 |
135 |
200 |
83 |
244 | |
|
364 |
40 |
30 |
1180 |
48 |
2△/△ |
90.9 |
0.864 |
290 |
135 |
200 |
87 |
304 | |
|
365 |
50 |
37 |
1180 |
62.7 |
2△/△ |
89.9 |
0.884 |
363 |
135 |
200 |
87 |
308 | |
|
404 |
60 |
45 |
1185 |
69.7 |
2△/△ |
91.7 |
0.886 |
435 |
200 |
200 |
91 |
— | |
|
405 |
75 |
55 |
1185 |
86.3 |
2△/△ |
92.6 |
0.883 |
543 |
200 |
200 |
91 |
— | |
|
444 |
100 |
75 |
1180 |
114.5 |
2△/△ |
93.0 |
0.892 |
725 |
180 |
200 |
96 |
— | |
|
445 |
125 |
90 |
1185 |
142.6 |
2△/△ |
93.0 |
0.889 |
908 |
200 |
200 |
96 |
— | |
|
447 |
150 |
110 |
1186 |
171 |
2△ |
93.0 |
0.889 |
1085 |
200 |
200 |
98 |
— | |
|
447 |
175 |
132 |
1187 |
198.7 |
2△ |
93.6 |
0.887 |
1270 |
200 |
200 |
98 |
— | |
|
449 |
200 |
150 |
1185 |
227 |
2△ |
94.2 |
0.882 |
1450 |
200 |
200 |
101 |
— | |
|
同步轉速900r/min(8極)60Hz | |||||||||||||
|
143 |
0.5 |
0.37 |
860 |
1.26 |
2Y/Y |
64.0 |
0.575 |
10 |
140 |
225 |
67 |
22 | |
|
145 |
0.75 |
0.55 |
860 |
1.84 |
2Y/Y |
67.5 |
0.555 |
13 |
135 |
220 |
67 |
25 | |
|
182 |
1.0 |
0.75 |
865 |
2.39 |
2Y/Y |
71.0 |
0.553 |
15 |
135 |
215 |
69 |
42 | |
|
184 |
1.5 |
1.1 |
865 |
3.27 |
2Y/Y |
72.3 |
0.583 |
20 |
130 |
210 |
69 |
43 | |
|
213 |
2.0 |
1.5 |
865 |
4.28 |
2Y/Y |
75.8 |
0.58 |
25 |
130 |
210 |
72 |
64 | |
|
215 |
3.0 |
2.2 |
865 |
5.68 |
2Y/Y |
76.3 |
0.636 |
32 |
130 |
205 |
72 |
75 | |
|
254 |
5.0 |
3.7 |
868 |
8.36 |
2Y/Y |
81.8 |
0.679 |
46 |
130 |
205 |
76 |
106 | |
|
256 |
7.5 |
5.5 |
868 |
11.68 |
2△/△ |
85.5 |
0.691 |
64 |
125 |
200 |
76 |
117 | |
|
284 |
10 |
7.5 |
868 |
15.24 |
2△/△ |
86.0 |
0.718 |
81 |
125 |
200 |
80 |
174 | |
|
286 |
15 |
11 |
868 |
22.15 |
2△/△ |
87.3 |
0.714 |
116 |
125 |
200 |
80 |
178 | |
|
324 |
20 |
15 |
870 |
26.6 |
2△/△ |
87.8 |
0.806 |
245 |
125 |
200 |
83 |
228 | |
|
326 |
25 |
18.5 |
870 |
32.19 |
2△/△ |
89.6 |
0.805 |
186 |
125 |
200 |
83 |
244 | |
|
364 |
30 |
22 |
870 |
38.83 |
2△/△ |
90.0 |
0.79 |
218 |
125 |
200 |
86 |
304 | |
|
365 |
40 |
30 |
870 |
53.71 |
2△/△ |
91.4 |
0.767 |
290 |
125 |
200 |
86 |
308 | |
|
404 |
50 |
37 |
885 |
63.5 |
2△/△ |
91.7 |
0.811 |
363 |
170 |
200 |
89 |
— | |
|
405 |
60 |
45 |
885 |
74.9 |
2△/△ |
91.7 |
0.819 |
435 |
170 |
200 |
89 |
— | |
|
444 |
75 |
55 |
885 |
95.1 |
2△/△ |
92.4 |
0.806 |
543 |
180 |
200 |
93 |
— | |
|
445 |
100 |
75 |
885 |
126.5 |
2△/△ |
93.0 |
0.802 |
725 |
180 |
200 |
93 |
— | |
|
447 |
125 |
90 |
888 |
156.5 |
2△/△ |
93.6 |
0.804 |
908 |
180 |
200 |
95 |
— | |
|
447 |
150 |
110 |
889 |
193.4 |
2△ |
93.6 |
0.781 |
1005 |
190 |
200 |
95 |
— | |
表3 開啟防滴式電動機
|
效 率 |
機座號 |
產品代碼 |
滿 載 時 |
重量
/kg | ||||
|
kW |
hp |
轉 速
/(r/min) |
電 流
230V/A |
效 率
(%) |
功率
因數 | |||
|
5.5 |
5.5 |
213T |
15014260 |
1745 |
21.0 |
88.5 |
0.77 |
143 |
|
5.5 |
7.5 |
254T |
15014560 |
1175 |
20.3 |
87.0 |
0.78 |
239 |
|
7.5 |
10 |
213T |
15014360 |
3510 |
24.9 |
86.0 |
0.88 |
150 |
|
7.5 |
10 |
215T |
15014460 |
1750 |
24.7 |
89.7 |
0.85 |
167 |
|
7.5 |
10 |
256T |
15014660 |
1175 |
27.1 |
88.0 |
0.79 |
270 |
|
11 |
15 |
215T |
15006460 |
3505 |
33.7 |
91.0 |
0.90 |
176 |
|
11 |
15 |
254T |
15006560 |
1760 |
37.8 |
88.0 |
0.83 |
270 |
|
11 |
15 |
284T |
15006760 |
1180 |
38.3 |
88.0 |
0.82 |
322 |
|
15 |
20 |
254T |
15003260 |
3475 |
49.2 |
88.0 |
0.87 |
280 |
|
15 |
20 |
256T |
15000660 |
1765 |
49.2 |
89.0 |
0.86 |
310 |
|
15 |
20 |
286T |
15000060 |
1180 |
51.3 |
88.5 |
0.83 |
368 |
|
18.5 |
25 |
256T |
15003460 |
3500 |
58.6 |
89.0 |
0.89 |
298 |
|
18.5 |
25 |
284T |
15000960 |
1770 |
58.9 |
89.6 |
0.88 |
368 |
|
18.5 |
25 |
324T |
15000260 |
1185 |
60.4 |
90.4 |
0.85 |
492 |
|
22 |
30 |
284T |
15003660 |
3545 |
67.4 |
90.0 |
0.91 |
359 |
|
22 |
30 |
286T |
15001360 |
1770 |
69.7 |
90.0 |
0.88 |
410 |
|
22 |
30 |
326T |
15000460 |
1180 |
71.3 |
90.0 |
0.86 |
520 |
|
30 |
40 |
286TS |
15003860 |
3545 |
90.3 |
91.6 |
0.91 |
396 |
|
30 |
40 |
324T |
15001760 |
1770 |
93.0 |
91.0 |
0.89 |
529 |
|
30 |
40 |
364T |
150014760 |
1185 |
96.2 |
90.0 |
0.87 |
626 |
|
37 |
50 |
324TS |
15004060 |
3525 |
112.3 |
92.1 |
0.91 |
522 |
|
37 |
50 |
326T |
15002160 |
1775 |
112.4 |
92.0 |
0.91 |
591 |
|
37 |
50 |
365T |
15014860 |
1175 |
117.9 |
90.7 |
0.88 |
639 |
|
45 |
60 |
326TS |
15004260 |
3515 |
140.4 |
91.4 |
0.88 |
551 |
|
45 |
60 |
364T |
15002560 |
1700 |
135.7 |
91.5 |
0.91 |
667 |
|
55 |
75 |
364TS |
15004460 |
3505 |
167.7 |
92.5 |
0.89 |
694 |
|
55 |
75 |
365T |
15002960 |
1780 |
164.9 |
92.0 |
0.91 |
727 |
|
75 |
100 |
365TS |
15015160 |
3520 |
229.3 |
93.3 |
0.88 |
740 |
全封閉扇冷式電動機
|
功 率 |
機座號 |
產品代碼 |
滿 載 時 |
重量
/kg |
外形尺寸/in① | ||||||
|
kW |
hp |
轉 速
/(r/min) |
電 流
230V/A |
效率
(%) |
功率
因數 |
長 |
寬 |
高 | |||
|
5.5 |
7.5 |
213T |
15015860 |
3490 |
19.3 |
85.0 |
0.84 |
143 |
17.3 |
13.56 |
10.5 |
|
5.5 |
7.5 |
213T |
15015760 |
1765 |
17.8 |
90.7 |
0.854 |
147 |
17.3 |
13.56 |
10.5 |
|
5.5 |
7.5 |
254T |
15012260 |
1185 |
20.9 |
87.0 |
0.76 |
248 |
20.08 |
16.55 |
14.54 |
|
7.5 |
10 |
215T |
15015960 |
3480 |
24.0 |
88.0 |
0.89 |
172 |
18.9 |
13.56 |
12.23 |
|
7.5 |
10 |
215T |
15014060 |
1755 |
23.9 |
91.6 |
0.86 |
169 |
18.9 |
13.56 |
12.23 |
|
7.5 |
10 |
256T |
15012360 |
1180 |
28.5 |
87.0 |
0.76 |
270 |
24.31 |
16.55 |
14.54 |
|
11 |
15 |
254T |
15006260 |
3465 |
34.4 |
89.2 |
0.90 |
259 |
22.08 |
16.55 |
14.54 |
|
11 |
15 |
254T |
15006660 |
1760 |
33.2 |
92.4 |
0.85 |
271 |
22.08 |
16.55 |
14.54 |
|
11 |
15 |
284T |
15006860 |
1185 |
37.4 |
89.0 |
0.83 |
334 |
26.46 |
18.23 <, /T, D>
|
16.76 |
|
15 |
20 |
256T |
15003360 |
3490 |
44.6 |
90.7 |
0.83 |
295 |
24.31 |
16.55 |
14.54 |
|
15 |
20 |
256T |
15000760 |
1760 |
47.6 |
93.0 |
0.85 |
319 |
24.31 |
16.55 |
14.54 |
|
15 |
20 |
286T |
15000160 |
1180 |
49.2 |
90.0 |
0.85 |
374 |
29.26 |
18.23 |
16.76 |
|
18.5 |
25 |
284TS |
15003560 |
3495 |
101.2 |
91.3 |
0.91 |
333 |
25.16 |
16.55 |
16.76 |
|
18.5 |
25 |
284T |
15001160 |
1775 |
103.8 |
90.0 |
0.90 |
373 |
26.46 |
16.55 |
16.76 |
|
18.5 |
25 |
354T |
15000360 |
1185 |
106.8 |
90.5 |
0.87 |
467 |
29.56 |
18.23 |
18.64 |
|
22 |
30 |
286TS |
15003760 |
3500 |
67.1 |
91.5 |
0.82 |
357 |
26.46 |
18.23 |
16.76 |
|
22 |
30 |
286T |
15001560 |
1780 |
67.5 |
92.0 |
0.91 |
418 |
29.26 |
18.23 |
16.76 |
|
22 |
30 |
326T |
15000560 |
1180 |
70.6 |
91.0 |
0.88 |
518 |
31.25 |
22.57 |
18.64 |
|
30 |
40 |
324TS |
15003960 |
3555 |
89.9 |
92.0 |
0.91 |
498 |
28.25 |
18.23 |
18.64 |
|
30 |
40 |
324T |
15001960 |
1770 |
89.0 |
92.0 |
0.92 |
516 |
29.56 |
18.23 |
18.64 |
|
30 |
40 |
364T |
15009660 |
1180 |
95.2 |
92.0 |
0.86 |
615 |
32.26 |
22.57 |
20.62 |
|
37 |
50 |
326TS |
15004160 |
3530 |
111.7 |
91.6 |
0.92 |
542 |
29.8 |
22.57 |
18.64 |
|
37 |
50 |
326T |
15002360 |
1770 |
111.2 |
92.0 |
0.92 |
573 |
31.25 |
22.57 |
18.64 |
|
37 |
50 |
365T |
15009760 |
1180 |
118.1 |
90.6 |
0.88 |
661 |
32.26 |
24.44 |
20.62 |
|
45 |
60 |
364TS |
15004360 |
3555 |
139.5 |
91.0 |
0.89 |
659 |
30.8 |
24.44 |
20.62 |
|
45 |
60 |
364T |
15002760 |
1770 |
133.5 |
92.0 |
0.92 |
654 |
32.26 |
24.44 |
20.62 |
|
55 |
75 |
365TS |
15004560 |
3555 |
165.5 |
92.7 |
0.90 |
734 |
31.13 |
24.44 |
20.62 |
|
55 |
75 |
365T |
15003160 |
1775 |
162.8 |
92.2 |
0.92 |
719 |
32.26 |
24.44 |
20.62 |
|
55 |
75 |
405T |
15009960 |
1185 |
170.4 |
91.9 |
0.88 |
1090 |
44.11 |
26.38 |
22.15 |
|
75 |
100 |
405T |
15008760 |
1775 |
237.0 |
91.8 |
0.867 |
1175 |
44.11 |
26.38 |
22.15 |
|
90 |
125 |
444T |
15016260 |
1770 |
274.0 |
92.9 |
0.887 |
1012 |
49.66 |
31.08 |
25.75 |
|
110 |
150 |
445T |
15049660 |
1770 |
326.0 |
93.2 |
0.911 |
1518 |
49.66 |
31.08 |
25.75 |
|
150 |
200 |
447TZ |
15049760 |
1775 |
419.0 |
93.8 |
0.895 |
1760 |
|
|
|
①1in=25.4mm。
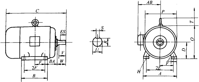
NEMA單軸伸底腳安裝外形尺寸圖

|
機座
號 |
A
(最大) |
B
(最大) |
C |
D |
E |
F |
H |
J |
O |
P |
R |
S |
T |
U |
V
(最。 |
ES
(最小) |
AB |
BA |
W |
|
143T |
7.0 |
6.0 |
12.5 |
3.5 |
2.75 |
2.0 |
0.34 |
|
7.7 |
|
0.771 |
0.188 |
— |
0.875 |
2.00 |
1.41 |
6.46 |
2.25 |
2.25 |
|
145T |
6.0 |
13.5 |
3.5 |
2.75 |
2.5 | ||||||||||||||
|
182T |
9.0 |
6.5 |
15.3 |
4.5 |
3.75 |
2.25 |
0.41 |
|
9.0 |
|
0.986 |
0.250 |
1.58 |
1.125 |
2.50 |
1.78 |
7.71 |
2.75 |
2.75 |
|
184T |
7.5 |
15.9 |
4.5 |
3.75 |
2.75 | ||||||||||||||
|
213T |
10.5 |
7.5 |
18.6 |
5.25 |
4.25 |
2.75 |
0.41 |
|
10.5 |
|
1.201 |
0.312 |
1.97 |
1.375 |
3.12 |
2.41 |
9.6 |
3.50 |
3.38 |
|
215T |
9.0 |
20.1 |
5.25 |
4.25 |
3.5 | ||||||||||||||
|
254T |
12.5 |
10.3 |
23.4 |
6.25 |
5.0 |
4.13 |
0.53 |
|
12.8 |
|
1.416 |
0.375 |
2.35 |
1.625 |
3.75 |
2.91 |
10.8 |
4.25 |
4.00 |
|
256T |
12.5 |
25.1 |
6.25 |
5.0 |
5.0 | ||||||||||||||
|
284T |
14.0 |
12.5 |
28 |
7.0 |
5.5 |
4.75 |
0.53 |
2.756 |
14.5 |
14.1 |
1.591 |
0.375 |
2.35 |
1.875 |
4.38 |
3.28 |
12 |
4.75 |
4.62 |
|
284TS |
12.5 |
26.5 |
4.75 |
1.416 |
0.5 |
1.625 |
3.00 |
1.91 |
3.25 | ||||||||||
|
286T |
14.0 |
14.0 |
29.5 |
7.0 |
5.5 |
5.5 |
0.53 |
2.756 |
14.5 |
14.1 |
1.591 |
0.375 |
2.35 |
1.875 |
4.38 |
3.28 |
12 |
4.75 |
4.62 |
|
286TS |
14.0 |
28 |
5.5 |
1.416 |
0.5 |
1.625 |
3.00 |
1.91 |
3.25 | ||||||||||
|
324T |
16.0 |
14.0 |
30.3 |
8.0 |
6.25 |
5.25 |
0.66 |
2.756 |
16 |
15.63 |
1.845 |
0.5 |
2.5 |
2.125 |
5.00 |
3.91 |
13.6 |
5.25 |
5.25 |
|
324TS |
28.8 |
1.591 |
1.875 |
3.50 |
2.03 |
3.75 | |||||||||||||
|
326T |
15.5 |
31.8 |
6.0 |
1.845 |
2.125 |
5.00 |
3.91 |
5.25 | |||||||||||
|
326TS |
30.3 |
1.541 |
1.875 |
3.50 |
2.03 |
3.75 | |||||||||||||
|
364T |
18.0 |
15.2 |
33.15 |
9.0 |
7.0 |
5.625 |
0.66 |
2.953 |
18.25 |
17.56 |
2.021 |
0.625 |
2.5 |
2.375 |
5.62 |
4.28 |
14.6 |
5.88 |
5.88 |
|
364TS |
32.02 |
1.591 |
0.5 |
1.875 |
3.5 |
2.03 |
3.75 | ||||||||||||
|
365T |
16.2 |
34.15 |
6.125 |
2.021 |
0.625 |
2.375 |
5.62 |
4.28 |
14.6 |
5.88 |
5.88 | ||||||||
|
365TS |
32.02 |
0.81 |
1.591 |
0.5 |
1.875 |
3.5 |
2.03 |
3.75 | |||||||||||
|
404T |
20.0 |
16.2 |
37.0 |
10.0 |
8.0 |
6.125 |
3.15 |
20 |
19 |
2.45 |
0.75 |
2.5 |
2.875 |
7.6 |
5.65 |
17.3 |
6.62 |
7.25 | |
|
404TS |
— |
— |
— |
— |
— |
— |
— | ||||||||||||
|
405T |
17.8 |
38.5 |
6.875 |
2.45 |
0.75 |
2.875 |
7.0 |
5.65 |
17.3 |
6.62 |
7.25 | ||||||||
|
405TS |
35.5 |
1.845 |
0.5 |
2.125 |
4.0 |
2.78 |
4.25 | ||||||||||||
|
444T |
22.0 |
18.5 |
42.5 |
11.0 |
9.0 |
7.25 |
3.35 |
21.75 |
21.6 |
2.88 |
0.875 |
2.91 |
3.375 |
8.25 |
6.91 |
18.3 |
7.5 |
8.5 | |
|
444TS |
39 |
2.021 |
0.625 |
2.375 |
4.5 |
3.03 |
18.3 |
7.5 |
4.75 | ||||||||||
|
445T |
20.5 |
44.5 |
8.25 |
2.88 |
0.875 |
3.375 |
8.25 |
6.91 |
18.3 |
7.5 |
8.5 | ||||||||
|
445TS |
41.0 |
2.021 |
0.625 |
2.375 |
4.5 |
3.03 |
18.3 |
7.5 |
4.75 | ||||||||||
|
447T |
24.0 |
48.0 |
10.0 |
2.88 |
0.875 |
3.375 |
8.25 |
6.91 |
18.3 |
7.5 |
8.5 | ||||||||
|
447TS |
44.5 |
2.021 |
0.625 |
2.375 |
4.5 |
3.03 |
18.3 |
7.5 |
4.75 | ||||||||||
|
449T |
29.0 |
53.0 |
12.5 |
3.15 |
2.88 |
0.875 |
4.25 |
3.375 |
8.25 |
6.91 |
18.3 |
7.5 |
8.5 | ||||||
|
449TS |
49.5 |
2.021 |
0.625 |
2.375 |
4.5 |
3.03 |
18.3 |
7.5 |
4.75 | ||||||||||
|
447TZ |
24.0 |
49.625 |
10.0 |
3.35 |
2.88 |
0.875 |
2.91 |
3.375 |
9.875 |
8.533 |
18.3 |
7.5 |
10.125 | ||||||
|
449TZ |
29.0 |
54.625 |
12.5 |
3.15 |
4.25 |
①1in=25.4mm,后同。
NEMA(C型)平面安裝有底腳或無底腳外形尺寸圖

|
機 座 號 |
AJ |
AK |
BA |
最 大
BD |
孔數 |
BF |
螺栓穿透
允許值 |
u |
R |
最小
ES |
S |
|
143TC、145TC |
5.875 |
4.500 |
2.75 |
6.50 |
4 |
1/1-16 |
8.56 |
0.875 |
0.771 |
1.41 |
0.188 |
|
182TC、184TC |
7.250 |
8.500 |
3.50 |
9.00 |
4 |
1/2-13 |
0.75 |
0.125 |
0.986 |
1.78 |
0.250 |
|
182TCH、184TCH |
5.875 |
4.500 |
3.50 |
6.50 |
4 |
3/1-16 |
0.56 |
1.125 |
0.986 |
1.78 |
0.250 |
|
213TC、215TC |
7.250 |
8.500 |
4.25 |
9.00 |
4 |
1/2-13 |
0.75 |
1.375 |
1.201 |
2.41 |
0.312 |
|
254TC、256TC |
7.258 |
8.500 |
4.75 |
10.00 |
4 |
1/2-13 |
0.75 |
1.625 |
1.416 |
2.91 |
0.375 |
|
284TC、286TC |
9.000 |
10.500 |
4.75 |
11.25 |
4 |
1/2-13 |
0.75 |
1.175 |
1.591 |
3.28 |
0.500 |
|
284TSC、286TSC |
9.000 |
10.500 |
4.75 |
11.25 |
4 |
1/2-13 |
0.75 |
1.625 |
1.416 |
1.91 |
0.375 |
|
324TC、326TCH |
11.000 |
12.500 |
5.25 |
14.00 |
4 |
1/2-13 |
0.75 |
2.125 |
1.845 |
3.91 |
0.500 |
|
324TSC、326TSC |
11.000 |
12.500 |
5.25 |
14.00 |
4 |
1/2-13 |
0.75 |
1.875 |
1.591 |
2.03 |
0.500 |
|
364TC、365TC |
11.000 |
12.500 |
5.88 |
14.00 |
8 |
5/8-11 |
0.94 |
2.375 |
2.021 |
4.28 |
0.625 |
|
364TSC、365TSC |
11.000 |
12.500 |
5.88 |
14.00 |
8 |
5/8-11 |
0.94 |
1.875 |
1.591 |
2.03 |
0.500 |
|
404TC、405TC |
11.000 |
12.500 |
6.62 |
15.50 |
8 |
5/8-11 |
0.94 |
2.375 |
2.450 |
5.65 |
0.750 |
|
404TSC、405TSC |
11.000 |
12.500 |
6.62 |
15.50 |
8 |
5/8-11 |
0.94 |
2.125 |
1.845 |
2.78 |
0.500 |
|
4444TC、445TC |
14.000 |
16.000 |
7.50 |
18.00 |
8 |
5/8-11 |
0.94 |
3.375 |
2.880 |
6.91 |
0.875 |
|
444TSC、445TSC |
14.000 |
16.000 |
7.50 |
18.00 |
8 |
5/8-11 |
0.94 |
3.375 |
2.021 |
3.03 |
0.625 |
|
447TC、449TC |
14.000 |
16.000 |
7.50 |
18.00 |
8 |
5/8-11 |
0.94 |
3.375 |
2.880 |
6.91 |
0.876 |
|
447TSC、449TSC |
14.000 |
16.000 |
7.50 |
18.00 |
8 |
5/8-11 |
0.94 |
3.375 |
2.021 |
3.03 |
0.625 |
|
447TZC、449TZC |
14.000 |
16.000 |
7.50 |
10.00 |
8 |
5/8-11 |
0.94 |
3.375 |
2.880 |
8.54 |
0.875 |

|
機 座 號 |
AJ |
AK |
BA |
最大
BD |
孔數 |
孔徑
BF |
推薦螺
栓長 |
u |
R |
最小
ES |
S |
|
143TD145TD |
10.00 |
9.000 |
2.75 |
11.00 |
4 |
0.53 |
1.25 |
0.875 |
0.771 |
1.41 |
0.188 |
|
182TD184TD |
10.00 |
9.000 |
3.50 |
11.00 |
4 |
0.53 |
1.25 |
1.125 |
0.986 |
1.78 |
0.250 |
|
213TD215TD |
10.00 |
9.000 |
4.25 |
11.00 |
4 |
0.53 |
1.25 |
1.375 |
1.201 |
2.41 |
0.312 |
|
254TD256TD |
12.50 |
11.000 |
4.75 |
14.00 |
4 |
0.81 |
2.00 |
1.625 |
1.416 |
2.91 |
0.375 |
|
284TD286TD |
12.50 |
11.000 |
4.75 |
14.00 |
4 |
0.81 |
2.00 |
1.625 |
1.591 |
3.28 |
0.500 |
|
284TSD286TSD |
12.50 |
11.000 |
4.75 |
14.00 |
4 |
0.81 |
2.00 |
2.125 |
1.416 |
1.91 |
0.375 |
|
324TD326TD |
16.00 |
14.000 |
5.25 |
18.00 |
4 |
0.81 |
2.00 |
1.875 |
1.845 |
3.91 |
0.500 |
|
324TSD326TSD |
16.00 |
14.000 |
5.25 |
18.00 |
4 |
0.81 |
2.00 |
2.375 |
1.591 |
2.03 |
0.500 |
|
364TD365TD |
16.00 |
14.000 |
5.88 |
18.00 |
4 |
0.81 |
2.00 |
1.875 |
2.021 |
4.26 |
0.625 |
|
364TSD365TSD |
16.00 |
14.000 |
5.88 |
22.00 |
4 |
0.81 |
2.00 |
2.875 |
1.591 |
2.03 |
0.500 |
|
404TD405TD |
20.00 |
18.000 |
6.62 |
22.00 |
8 |
0.81 |
2.25 |
2.215 |
2.450 |
5.65 |
0.750 |
|
404TSD405TSD |
20.00 |
18.000 |
6.62 |
22.00 |
8 |
0.81 |
2.25 |
3.375 |
1.845 |
2.78 |
0.500 |
|
444TD445TD |
20.00 |
18.000 |
7.50 |
22.00 |
8 |
0.81 |
2.25 |
2.375 |
2.880 |
6.91 |
0.875 |
|
444TSD445TSD |
20.00 |
18.000 |
7.50 |
22.00 |
8 |
0.81 |
2.25 |
3.375 |
2.021 |
3.03 |
0.625 |
|
447TD449TD |
20.00 |
18.000 |
7.50 |
22.00 |
8 |
0.81 |
2.25 |
3.375 |
2.880 |
6.91 |
0.875 |
|
447TSD449TSD |
20.00 |
18.000 |
7.50 |
22.00 |
8 |
0.81 |
2.25 |
3.375 |
2.021 |
3.03 |
0.625 |
|
447TZD449TZD |
20.00 |
18.000 |
7.50 |
22.00 |
8 |
0.81 |
2.25 |
3.375 |
2.880 |
8.54 |
0.875 |
| 頁次:1/1 每頁10條 共3條信息 分頁:[1] |
